过孔连接器300A-SG3M金属系列制造商

德索精密工业SG1M SG2M SG3M 金属连接器系统可在高达 1000V 时达到 300A。 具有高机械强度,优良的振动和屏蔽,做线效率高等优点。
主要特点
- 与电控连接,安装简单便捷,可靠性高。
- 独创的塑胶卡扣固定波纹管结构,优化了作业流程,可保证生产的节拍平衡
- 通过结构优化,提供了防水等级,达到了IP68等级,比市面上同类产品防水性能更优
SG1M SG2M SG3M 连接器具有高机械强度、出色的振动和屏蔽性能、压接效率高,非常适合典型的高压电动汽车应用,例如电机、控制器、PDU 和电池之间的连接。该系列包括单孔、2 孔和 3 孔连接器,为了获得最大的灵活性,铜或铝电缆可用于七种不同的电缆横截面。
SG3M系列多芯过孔连接器优势
- 与电控连接,安装简单便捷,可靠性高。
- 独创的塑胶卡扣固定波纹管结构,优化了作业流程,可保证生产的节拍平衡。
- 尾部束线采用塑胶卡扣固定波纹管结构,保证了产品的一致性。
- 通过结构优化,提供了防水等级,达到了IP68等级,比市面上同类产品防水性能更优。
- 可以替代格兰头产品。
- 产品符合RoHS要求。
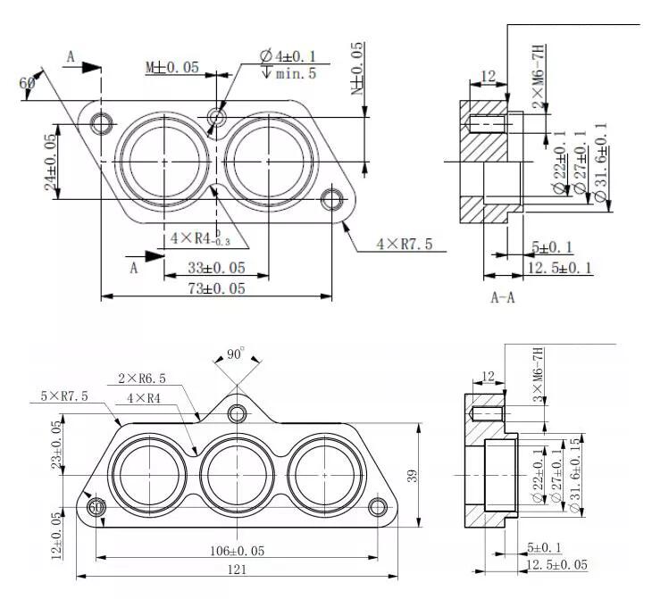
SG3M系列多芯过孔连接器尺寸
SG3M系列 300A过孔金属连接器参数
| 电气性能 | 额定电压 | 1000V |
| 耐电压 | 4000V | |
| 额定电流 | MAX 300A | |
| 绝缘电阻 | 5000MΩ | |
| 机械性能 | 孔数 | 2孔、3孔 |
| 拆装次数 | 50次 | |
| 适配线径 | 16mm²、25mm²、35mm²、50mm²、70mm² | |
| 振动等级 | QC/T 1067.1-2017 V3 | |
| 材质说明 | 外壳体 | 铝合金 |
| 屏蔽 | 铜合金 | |
| 注塑件 | PA66 | |
| 橡胶件 | 硅橡胶 | |
| 环境性能 | 温度等级 | -40℃~140℃ |
| 防护等级 | IP67、IP69K | |
| 盐雾等级 | 96h |
SG3M系列过孔连接器型号
| 外形图(示例) | 型号 | 产品描述 | 适配线径 |
![]() |
SG3M-21-70YP | 2芯适配单芯70mm²屏蔽线 | φ19±0.3mm |
| SG3M-21-50YP | 2芯适配单芯50mm²屏蔽线 | φ17.2±0.3mm | |
| SG3M-21-35YP | 2芯适配单芯35mm²屏蔽线 | φ15±0.3mm | |
| SG3M-21-25YP | 2芯适配单芯25mm²屏蔽线 | φ13.8±0.3mm | |
| SG3M-21-16YP | 2芯适配单芯16mm²屏蔽线 | φ11.3±0.3mm | |
![]() |
SG3M-31-70YP | 3芯适配单芯70mm²屏蔽线 | φ19±0.3mm |
| SG3M-31-50YP | 3芯适配单芯50mm²屏蔽线 | φ17.2±0.3mm | |
| SG3M-31-35YP | 3芯适配单芯35mm²屏蔽线 | φ15±0.3mm | |
| SG3M-31-25YP | 3芯适配单芯25mm²屏蔽线 | φ13.8±0.3mm | |
| SG3M-31-16YP | 3芯适配单芯16mm²屏蔽线 | φ11.3±0.3mm |
获取样品
如果您对我们的产品感兴趣,请随时与我们电话联系18518765758或填写下面的留言表。我们的销售代表将在 24 小时内与您联系。









