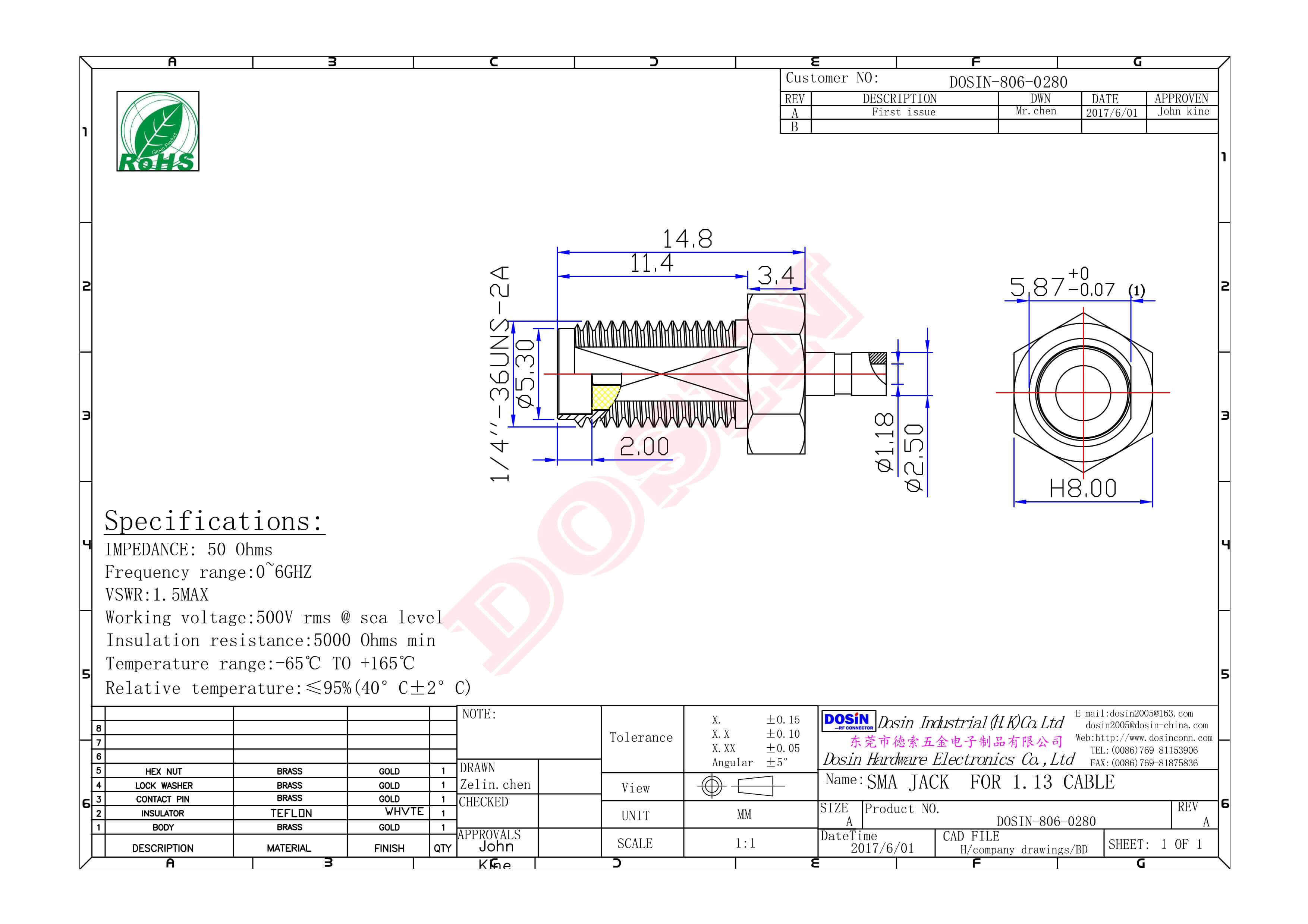
SMA直母座射频连接器前锁穿墙开天窗焊接
料号:DOSIN-806-0280
标签:SMA连接器,母头,直式,穿墙,开天窗焊接,同轴线缆,镀金
材料:黄铜/铁氟龙/镀金/钢铁/硅/磷
产品特点:
产品规格
| 温度范围 | -55~+155°C(PE Cable -40~+85°C) |
| 环境温度 | ≦95%(40°C±2°C) |
| 特性阻抗 | 50Ω |
| 频率范围 | DC~12.4GHz |
| 工作电压 | 335Vr.m.s |
| 耐压 | 1000Vr.m.s |
| 中心接触电阻 | ≦3mΩ |
| 外导体电阻 | ≦2.5mΩ |
| 绝缘电阻 | ≧5000MΩ |
| 中心导体保持力 | ≧0.28N |
| 插入损耗 | 0.15dB/6GHz |
| 电压驻波比 直式 | ≤1.10+0.02f |
| 电压驻波比 弯式 | ≤1.20+0.03f |
| 耐用性 | >=500次 |
注释:具体规格参考图纸
| 类型 | 材料 | 表面处理 |
| 主体 | 黄铜 | 镀金 |
| 绝缘体 | 特氟龙 | 白色 |
| 中心针 | 黄铜 | 镀金 |
产品图纸
包装与运输




