D38999/26WB98SN 6芯带孔母插头N键位11号壳体
料号:D38999/26WB98SN
标签:D38999连接器、直、母头、线缆安装、圆形
针数:6芯
额定电流:5A
安装类型:面板安装/线缆安装
目录下载:东莞德索-D38999系列目录册.pdf
产品特点:
产品参数
| 标准 | MIL-DTL-D38999 |
| 系列 | 系列一/系列二/系列三/系列四 |
| 连接器类型 | 插头/插座 |
| 针位数量 | 3 / 4 / 5 / 6 / 8 / 10 / 12 / 13 / 19 / 22 / 37 / 66 / 79针 |
| 方位 | 直 |
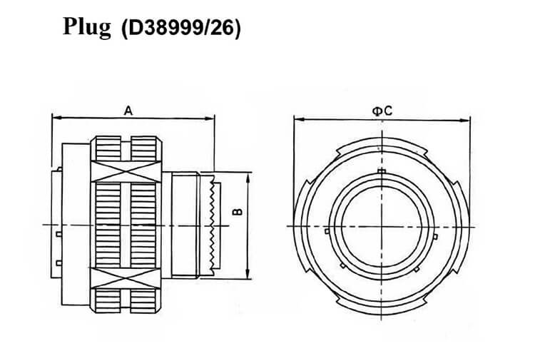
| 外壳尺寸 | A / B / C / D / E / F / G / H / J |
| 紧固类型 | 卡口/螺纹 |
| 安装类型 | 电缆安装/面板安装 |
| 安装特征 | 法兰/隔板 |
| 额定电压 | 600伏-2300伏 |
| 额定电流 | 5A / 7.5A / 13A / 23A / 40A |
| 绝缘电阻 | ≥ 5000 m Ω 至25 °c,最大65% 小时。 |
| IP等级 | IP67 |
| 机械操作 | > 500交配周期 |
| 环境温度 | -65 ℃ 至 + 175 ℃ / -65 ℃ 至 + 200 ℃ |
产品简介
外壳尺寸
针位排布
包装&运输









