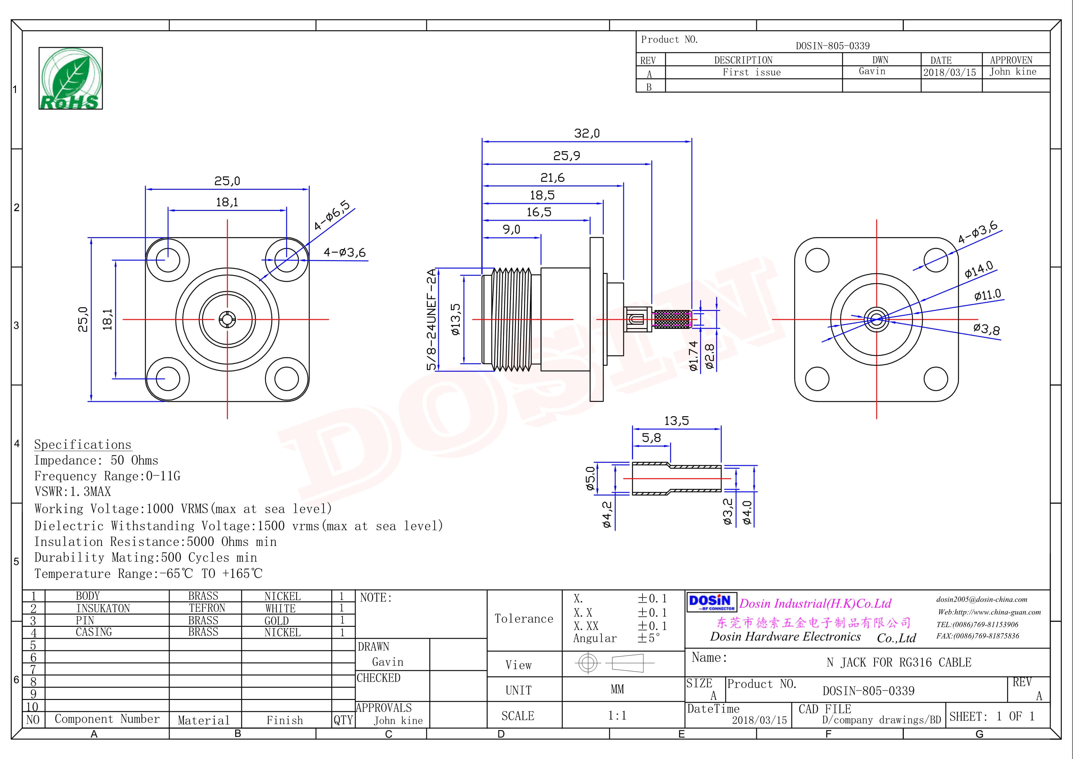
N型法兰连接器母头四孔法兰压接式接同轴线缆
料号: DOSIN-805-0339
标签:N型连接器,直式,四孔法兰,母头,开天窗压接式
产品特点:
产品规格
| 温度范围 | -55°C to 155°C (PE Cable -40°C to 85°C) |
| 震动 | 100m/S2 (10 to 500 Hz) |
| 特性阻抗 | 50Ω |
| 频率范围 | DC~11GHz |
| 工作电压 | 1000Vr.m.s |
| 耐压 | 2500Vr.m.s |
| 中心接触电阻 | ≦1mΩ |
| 外导体电阻 | ≦1mΩ |
| 绝缘电阻 | ≧5000MΩ |
| 中心导体保持力 | ≦0.56N |
| 插入损耗 | ≤0.24dB(6GHz) |
| 电压驻波比 直式 | ≤1.15/6GHz |
| 电压驻波比 弯式 | ≤1.25/6GHz |
| 耐用性 | ≧500次 |
注释:具体规格参考图纸
| 类型 | 材料 | 表面处理 |
| 主体 | 黄铜 | 镀金 |
| 绝缘体 | 聚甲醛 | 无 |
| 中心针 | 黄铜 | 镀金 |
产品图纸
包装与运输







